Stellmotor AQD mit 2-Wege-Kugelhahn
Präsentation
Der Stellmotor AQD mit 2-Wege-Kugelhahn ist für die Zonenregelung von Anlagen konzipiert und arbeitet als blockierendes Element in Heizungs-, Kühl- und Warmwassersystemen sowie in der Prozessindustrie und der Landwirtschaft.
- Zur Steuerung von Zonenventilen in Heizungs- oder Kühlsystemen.
- Ein- und Aus-Zonenregelung von Heizungssystemen.
- Verschiedene andere Heizgeräte.
Merkmale
- Ausgelegt als Einheit, Stellantrieb mit Ventil.
- Einfache Montage und Demontage an den Ventilen.
- Kompakte Größe.
- Entwickelt als Produktfamilie mit einer breiten Produktpalette.
- Modulares Design, Stellantriebe können an unterschiedliche Kundenbedürfnisse angepasst werden.
Wichtige Funktionsmerkmale
Schnelle, einfache und werkzeuglose Montage
Das Design des Stellmotors und des Ventils wurde mit dem Fokus auf den Installateur und die Montage entwickelt. Die Kupplung des Stellmotors ist völlig werkzeuglos. Die Montage des Stellmotors auf das Ventil erfolgt durch einfaches Aufdrücken des Stellmotors auf den Körper des Ventils mit einer Hand. Zur Demontage muss der Stellmotor nur vom Körper abgezogen werden.
Der Stellmotor ist mit einer speziellen Verriegelungslösung gegen Selbstabbau vom Ventil geschützt.
Der Stellmotor ist mit einer speziellen Verriegelungslösung gegen Selbstabbau vom Ventil geschützt.
Drehrichtungswahl
Der Stellmotor ermöglicht eine schnelle und einfache Änderung der Öffnungsrichtung des Ventils. Durch einfaches Entfernen des Knaufs wird der Drehrichtungswähler zugänglich und kann aus seiner Halterung entnommen, in die entgegengesetzte Richtung gedreht und wieder eingesetzt werden. Dies ermöglicht eine schnelle und intuitive Anpassung, gewährleistet Flexibilität bei der Montage und eine einfache Anpassung an verschiedene Ventilkonfigurationen – ganz ohne zusätzliches Werkzeug.
Permanente Kupplung mit Klicksystem für manuelle Bedienung
Bei Bedarf kann das Ventil manuell bewegt werden, indem einfach die Kupplungstaste gedrückt wird. Dabei wird der Motor abgeschaltet, um den Energieverbrauch vollständig zu reduzieren. Gleichzeitig kann das Ventil mit dem großen, ergonomischen Knopf sehr einfach in die gewünschte Position gebracht werden.
Zusätzlich ist die aktuelle Ventilposition deutlich auf dem Gehäuse des Stellantriebs markiert. In diesen Fällen ist immer bekannt, in welcher Position sich das Ventil befindet und welche Funktion es hat.
Zusätzlich ist die aktuelle Ventilposition deutlich auf dem Gehäuse des Stellantriebs markiert. In diesen Fällen ist immer bekannt, in welcher Position sich das Ventil befindet und welche Funktion es hat.
Modernes und kompaktes Design
Die Größe des Produkts ist entscheidend, insbesondere bei der Installation in beengten Räumen. Daher wurde der Stellmotor als äußerst kompakte Lösung entwickelt, die sich problemlos in solche Umgebungen einfügt. Das moderne und platzsparende Design ermöglicht eine dichte Montage und eignet sich ideal für Installationen, bei denen mehrere Stellmotoren auf engem Raum platziert werden müssen. Dadurch wird der verfügbare Platz optimal genutzt, ohne die Funktionalität oder Leistung zu beeinträchtigen.
Niedriges Drehmoment und geräuscharme Bedienung
Das hochpräzise Design des Ventils ermöglicht einen Betrieb mit geringem Drehmoment. Das spezielle Design des Stellmotors und des Ventils ermöglicht einen niedrigen Energieverbrauch während des Betriebs.
Mit viel Liebe zum Detail haben wir auch eine Lösung geschaffen, die sehr geräuscharm arbeitet, was besonders wichtig ist, wenn das Produkt in oder in der Nähe von Wohnbereichen montiert wir
Mit viel Liebe zum Detail haben wir auch eine Lösung geschaffen, die sehr geräuscharm arbeitet, was besonders wichtig ist, wenn das Produkt in oder in der Nähe von Wohnbereichen montiert wir
Technische Daten
| Stellmotor | AQDR Basic | AQDRS Basic | AQDR Standard | AQDRS Standard | ||
|---|---|---|---|---|---|---|
| Bild | ![]() | ![]() | ||||
| Anschlussspannung | 230 V~ oder 24 V~ | 230 V~ oder 24 V~ | 230 V~ oder 24 V~ | 230 V~ oder 24 V~ | ||
| Nennmoment | 3 Nm | 3 Nm | 3 Nm | 3 Nm | ||
| Maximales Drehmoment | 5 Nm | 5 Nm | 5 Nm | 5 Nm | ||
| Drehzahl | 13 s | 13 s | 13 s | 13 s | ||
| Manuelle Bewegung | — | — | ![]() | ![]() | ||
| Drehrichtungswahl | — | — | Optional | Optional | ||
| AUS-Schalter der Hilfspumpe | — | ![]() | — | ![]() | ||
| Eigenverbrauch | < 5 W | < 5 W | < 5 W | < 5 W | ||
| Energieverbrauch im Standby-Modus | < 0,25 W | < 0,25 W | < 0,25 W | < 0,25 W | ||
| Schutzart | IP 42 | IP 42 | IP 42 | IP 42 | ||
| Schutzklasse | II für die Spannung von 230 V~ III für die Spannung von 24 V~ | II für die Spannung von 230 V~ III für die Spannung von 24 V~ | II für die Spannung von 230 V~ III für die Spannung von 24 V~ | II für die Spannung von 230 V~ III für die Spannung von 24 V~ | ||
| Gehäusematerial | PC+ABS - dunkelgrau | PC+ABS - dunkelgrau | PC+ABS - dunkelgrau | PC+ABS - dunkelgrau | ||
| Standard-Kabellänge | 1 m | 1 m | 1 m | 1 m | ||
| Umgebungstemperatur | 0÷55 °C | 0÷55 °C | 0÷55 °C | 0÷55 °C | ||
| Mediumtemperatur | 0÷95 °C, z distančnim adapterjem -15÷125 °C | 0÷95 °C, z distančnim adapterjem -15÷125 °C | 0÷95 °C, z distančnim adapterjem -15÷125 °C | 0÷95 °C, z distančnim adapterjem -15÷125 °C | ||
| Lagertemperatur | -20÷75 °C | -20÷75 °C | -20÷75 °C | -20÷75 °C | ||
| Relative Luftfeuchtigkeit | max. 85 %, ohne Kondensation | max. 85 %, ohne Kondensation | max. 85 %, ohne Kondensation | max. 85 %, ohne Kondensation | ||
| Stückzahl Pro Verpackungseinheit | 12 Stück | 12 Stück | 12 Stück | 12 Stück | ||
| Gewicht des Produkts | 390÷860 g | 390÷860 g | 390÷860 g | 390÷860 g | ||
| Abmessungen | ![]() | ![]() | ||||
| Elektrischer Anschluss | ![]() | ![]() | ![]() | ![]() | ||
| Motorni pogon AQD z 2-potnim krogelnim ventilom BVQ21..L – notranji navoj | ||||||||||||||||||||
|---|---|---|---|---|---|---|---|---|---|---|---|---|---|---|---|---|---|---|---|---|
![]() | ||||||||||||||||||||
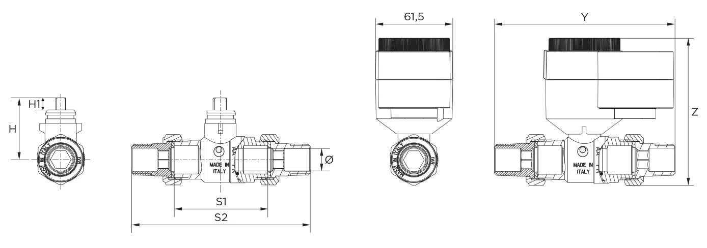
| Typ | DN | Kvs | Anschluss | H* | H1* | Ø* | S* | Gewicht (g) | Z* | Y* | ||||||||||
| BVQ2115L | DN15 | 20 | Rp 1/2 ” | 41.3 | 8 | 15 | 62 | 230 | 92.3 | 101 | ||||||||||
| BVQ2120L | DN20 | 45 | Rp 3/4 ” | 46.8 | 10 | 20 | 68 | 340 | 95.8 | 101 | ||||||||||
| BVQ2125L | DN25 | 60 | Rp 1 ” | 51.3 | 10 | 25 | 81 | 530 | 100.3 | 105.2 | ||||||||||
| BVQ2132L | DN32 | 100 | Rp 1 ¼ ” | 56.3 | 10 | 32 | 86 | 680 | 105.3 | 107.7 | ||||||||||
| ||||||||||||||||||||
| Motorni pogon AQD z 2-potnim krogelnim ventilom BVQ22..L – zunanji navoj | ||||||||||||||||||||
|---|---|---|---|---|---|---|---|---|---|---|---|---|---|---|---|---|---|---|---|---|
![]() | ||||||||||||||||||||
| Typ | DN | Kvs | Anschluss | H* | H1* | Ø* | S4* | Gewicht (g) | Z* | Y* | ||||||||||
| BVQ2215L | DN15 | 20 | Rp 1/2 ” | 41.3 | 8 | 15 | 119 | 230 | 92.3 | 101 | ||||||||||
| BVQ2220L | DN20 | 45 | Rp 3/4 ” | 46.8 | 10 | 20 | 138 | 360 | 95.8 | 101.7 | ||||||||||
| BVQ2225L | DN25 | 60 | Rp 1 ” | 51.3 | 10 | 25 | 149 | 590 | 100.3 | 105.7 | ||||||||||
| BVQ2232L | DN32 | 100 | Rp 1 ¼ ” | 56.3 | 10 | 32 | 158 | 680 | 105.3 | 106.2 | ||||||||||
| ||||||||||||||||||||
| Motorni pogon AQD z 2-potnim krogelnim ventilom BVQ23..L – kompresijski priključek (po naročilu) | ||||||||||||||||||||||
|---|---|---|---|---|---|---|---|---|---|---|---|---|---|---|---|---|---|---|---|---|---|---|
![]() | ||||||||||||||||||||||
| Typ | DN | Kvs | Anschluss | H* | H1* | Ø* | Ø1* | S3* | Gewicht (g) | Z* | Y* | |||||||||||
| BVQ2315L | DN15 | 20 | Rp 1/2 ” | 41.3 | 8 | 15 | 15 | 62 | 260 | 92.3 | 101 | |||||||||||
| BVQ2320L | DN20 | 45 | Rp 3/4 ” | 46.8 | 10 | 20 | 22 | 74 | 400 | 95.8 | 101 | |||||||||||
| BVQ2325L | DN25 | 60 | Rp 1 ” | 51.3 | 10 | 25 | 28 | 82 | 600 | 100.3 | 105.7 | |||||||||||
| ||||||||||||||||||||||
| Motorni pogon AQD z 2-potnim krogelnim ventilom BVQ25..L – zunanji navoj s priključki (po naročilu) | ||||||||||||||||||||||
|---|---|---|---|---|---|---|---|---|---|---|---|---|---|---|---|---|---|---|---|---|---|---|
![]() | ||||||||||||||||||||||
| Typ | DN | Kvs | Anschluss | H* | H1* | Ø* | S1* | S2* | Gewicht (g) | Z* | Y* | |||||||||||
| BVQ2515L | DN15 | 20 | Rp 1/2 ” | 41.3 | 8 | 15 | 62 | 119 | 360 | 92.3 | 124.2 | |||||||||||
| BVQ2520L | DN20 | 45 | Rp 3/4 ” | 46.8 | 10 | 20 | 74 | 138 | 560 | 95.8 | 138 | |||||||||||
| BVQ2525L | DN25 | 60 | Rp 1 ” | 51.3 | 10 | 25 | 82 | 149 | 840 | 100.3 | 149 | |||||||||||
| BVQ2532L | DN32 | 100 | Rp 1 ¼ ” | 56.3 | 10 | 32 | 83 | 158 | 1130 | 105.3 | 158 | |||||||||||
![]() | ||||||||||||||||||||||
Komplementärprodukte
-

Stellmotor AQD mit 3-Wege-Umschaltkugelhahn BVQ
Motorni pogon AQD s 3-potnim preklopnim krogelnim ventilom BVQ omogoča…
-

Stellmotor AVDRS + Kugelventil 3W
Der Stellmotor AVDRS + 3W-Kugelventil wird eingesetzt für...
-

Stellmotor AVCR
Der Stellmotor AVCR wird zur Regelung der Umlenkventile verwendet.
-

Stellmotor AVCR + Kugelventil 3W
Das AVCR Stellmotorset + 3W Kugelventil wird für...
-

Stellmotor AVCR + Kugelventil 2W
Das AVCR Stellmotorset + 2W Kugelventil wird für...
-

Stellmotor AVDRS + Kugelventil 2W
Der Stellmotor AVDRS + 2W-Kugelventil wird eingesetzt für...






















