Actuator AQD with 2-way ball valve
Presentation
AQD actuator with 2-way ball valve is designed for zone control of systems and operates as a blocking element in heating, cooling and hot water systems, as well as in the process industry and agriculture.
- For controlling zone valves in heating or cooling systems.
- On-off zone control of heating systems.
- Various other heating devices.
Features
- Designed as unit, actuator with valve.
- Easy assembly and disassembly on the valves.
- Compact size.
- Designed as a product family with a wide range of products.
- Modular design, actuators can be customized to different customer needs.
Outlined functions
Quick, simple and tool free installation
The Design of the actuator and valve was made with the focus on installer and installation process. Coupling of the actuator is completely tools free. The actuator can be installed on the valve, by simple one hand press of the actuator onto the valve body. For disassembly, it is necessary to only pull the actuator off the body.
The actuator is protected against self-removal from the valve with special locking solution.
The actuator is protected against self-removal from the valve with special locking solution.
Direction selector
The actuator allows quick and easy change of valve opening direction.
By simply removing the knob, the rotation direction selector becomes accessible and can be pulled out of its slot, rotated in the opposite direction, and reinserted. This enables quick and intuitive adjustment, ensuring flexibility during installation and easy adaptation to different valve configurations without the need for additional tools.
Permanent clutch with click system for manual operation
In case of a need, the valve can be manually moved by simply pressing the clutch button. With that, the motor is switched off to totally reduce energy consumption. At the same time, with the big ergonomic knob, it is very easy to move the valve into the desired position.
Additionally, it is clearly marked on the actuator body the actual valve position. In these case, it is always known in what position the valve is and what is its function.
Additionally, it is clearly marked on the actuator body the actual valve position. In these case, it is always known in what position the valve is and what is its function.
Modern and compact design
The size of the product is crucial, especially when installed in tight spaces. With this in mind, the actuator was designed as a highly compact solution that easily fits into such environments. The modern and space-efficient design allows high-density mounting, making it ideal for installations where multiple actuators need to be placed in close proximity. This ensures optimal use of available space without compromising functionality or performance.
Low torque and low noise design
High precision valve design allows low torque operation. Dedicated design of actuator and valve enables low energy consumption during operation.
With attention to details, we created also a solution that operates with very low noise, what is specially important where product in installed in or near living areas.
With attention to details, we created also a solution that operates with very low noise, what is specially important where product in installed in or near living areas.
Technical data
| Actuator | AQDR Basic | AQDRS Basic | AQDR Standard | AQDRS Standard | ||
|---|---|---|---|---|---|---|
| Image | ![]() | ![]() | ||||
| Connection voltage | 230 V~ or 24 V~ | 230 V~ or 24 V~ | 230 V~ or 24 V~ | 230 V~ or 24 V~ | ||
| Torque Nominal | 3 Nm | 3 Nm | 3 Nm | 3 Nm | ||
| Torque Peak | 5 Nm | 5 Nm | 5 Nm | 5 Nm | ||
| Rotation speed | 13 s | 13 s | 13 s | 13 s | ||
| Manual movement | — | — | ![]() | ![]() | ||
| Direction selector | — | — | Optional | Optional | ||
| Auxiliary pump OFF switch | — | ![]() | — | ![]() | ||
| Own consumption | < 5 W | < 5 W | < 5 W | < 5 W | ||
| Consumption in standby mode | < 0,25 W | < 0,25 W | < 0,25 W | < 0,25 W | ||
| Degree of protection | IP 42 | IP 42 | IP 42 | IP 42 | ||
| Safety class | II for the voltage of 230 V~ III for the voltage of 24 V~ | II for the voltage of 230 V~ III for the voltage of 24 V~ | II for the voltage of 230 V~ III for the voltage of 24 V~ | II for the voltage of 230 V~ III for the voltage of 24 V~ | ||
| Housing material | PC+ABS - dark grey | PC+ABS - dark grey | PC+ABS - dark grey | PC+ABS - dark grey | ||
| Standard cable length | 1 m | 1 m | 1 m | 1 m | ||
| Permissible ambient temperature | 0÷55 °C | 0÷55 °C | 0÷55 °C | 0÷55 °C | ||
| Medium temperature | 0÷95 °C, z distančnim adapterjem -15÷125 °C | 0÷95 °C, z distančnim adapterjem -15÷125 °C | 0÷95 °C, z distančnim adapterjem -15÷125 °C | 0÷95 °C, z distančnim adapterjem -15÷125 °C | ||
| Storage temperature | -20÷75 °C | -20÷75 °C | -20÷75 °C | -20÷75 °C | ||
| Relative humidity | Max. 85 %, without condensation | Max. 85 %, without condensation | Max. 85 %, without condensation | Max. 85 %, without condensation | ||
| Number of pieces in a package unit | 12 pcs | 12 pcs | 12 pcs | 12 pcs | ||
| Product weight | 390÷860 g | 390÷860 g | 390÷860 g | 390÷860 g | ||
| Dimensions | ![]() | ![]() | ||||
| Electrical connection | ![]() | ![]() | ![]() | ![]() | ||
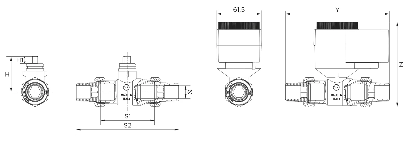
| Motorni pogon AQD z 2-potnim krogelnim ventilom BVQ21..L – notranji navoj | ||||||||||||||||||||
|---|---|---|---|---|---|---|---|---|---|---|---|---|---|---|---|---|---|---|---|---|
![]() | ||||||||||||||||||||
| Type | DN | Kvs | Connection | H* | H1* | Ø* | S* | Weight (g) | Z* | Y* | ||||||||||
| BVQ2115L | DN15 | 20 | Rp 1/2 ” | 41.3 | 8 | 15 | 62 | 230 | 92.3 | 101 | ||||||||||
| BVQ2120L | DN20 | 45 | Rp 3/4 ” | 46.8 | 10 | 20 | 68 | 340 | 95.8 | 101 | ||||||||||
| BVQ2125L | DN25 | 60 | Rp 1 ” | 51.3 | 10 | 25 | 81 | 530 | 100.3 | 105.2 | ||||||||||
| BVQ2132L | DN32 | 100 | Rp 1 ¼ ” | 56.3 | 10 | 32 | 86 | 680 | 105.3 | 107.7 | ||||||||||
| ||||||||||||||||||||
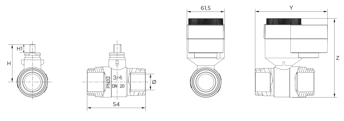
| Motorni pogon AQD z 2-potnim krogelnim ventilom BVQ22..L – zunanji navoj | ||||||||||||||||||||
|---|---|---|---|---|---|---|---|---|---|---|---|---|---|---|---|---|---|---|---|---|
![]() | ||||||||||||||||||||
| Type | DN | Kvs | Connection | H* | H1* | Ø* | S4* | Weight (g) | Z* | Y* | ||||||||||
| BVQ2215L | DN15 | 20 | Rp 1/2 ” | 41.3 | 8 | 15 | 119 | 230 | 92.3 | 101 | ||||||||||
| BVQ2220L | DN20 | 45 | Rp 3/4 ” | 46.8 | 10 | 20 | 138 | 360 | 95.8 | 101.7 | ||||||||||
| BVQ2225L | DN25 | 60 | Rp 1 ” | 51.3 | 10 | 25 | 149 | 590 | 100.3 | 105.7 | ||||||||||
| BVQ2232L | DN32 | 100 | Rp 1 ¼ ” | 56.3 | 10 | 32 | 158 | 680 | 105.3 | 106.2 | ||||||||||
| ||||||||||||||||||||
| Motorni pogon AQD z 2-potnim krogelnim ventilom BVQ23..L – kompresijski priključek (po naročilu) | ||||||||||||||||||||||
|---|---|---|---|---|---|---|---|---|---|---|---|---|---|---|---|---|---|---|---|---|---|---|
![]() | ||||||||||||||||||||||
| Type | DN | Kvs | Connection | H* | H1* | Ø* | Ø1* | S3* | Weight (g) | Z* | Y* | |||||||||||
| BVQ2315L | DN15 | 20 | Rp 1/2 ” | 41.3 | 8 | 15 | 15 | 62 | 260 | 92.3 | 101 | |||||||||||
| BVQ2320L | DN20 | 45 | Rp 3/4 ” | 46.8 | 10 | 20 | 22 | 74 | 400 | 95.8 | 101 | |||||||||||
| BVQ2325L | DN25 | 60 | Rp 1 ” | 51.3 | 10 | 25 | 28 | 82 | 600 | 100.3 | 105.7 | |||||||||||
| ||||||||||||||||||||||
| Motorni pogon AQD z 2-potnim krogelnim ventilom BVQ25..L – zunanji navoj s priključki (po naročilu) | ||||||||||||||||||||||
|---|---|---|---|---|---|---|---|---|---|---|---|---|---|---|---|---|---|---|---|---|---|---|
![]() | ||||||||||||||||||||||
| Type | DN | Kvs | Connection | H* | H1* | Ø* | S1* | S2* | Weight (g) | Z* | Y* | |||||||||||
| BVQ2515L | DN15 | 20 | Rp 1/2 ” | 41.3 | 8 | 15 | 62 | 119 | 360 | 92.3 | 124.2 | |||||||||||
| BVQ2520L | DN20 | 45 | Rp 3/4 ” | 46.8 | 10 | 20 | 74 | 138 | 560 | 95.8 | 138 | |||||||||||
| BVQ2525L | DN25 | 60 | Rp 1 ” | 51.3 | 10 | 25 | 82 | 149 | 840 | 100.3 | 149 | |||||||||||
| BVQ2532L | DN32 | 100 | Rp 1 ¼ ” | 56.3 | 10 | 32 | 83 | 158 | 1130 | 105.3 | 158 | |||||||||||
![]() | ||||||||||||||||||||||
Complementary products
-

Actuator AQD with 3-way diverting ball valve BVQ
Motorni pogon AQD s 3-potnim preklopnim krogelnim ventilom BVQ omogoča…
-

Actuator AVDRS + ball valve 3W
The AVDRS actuator set + 3W ball valve is used for...
-

Actuator AVCR
AVCR actuators are intended for position control of rotary mixing and ball valves.
-

Actuator AVCR + ball valve 3W
AVCR actuator set + ball valve 3W is used for...
-

Actuator AVCR + ball valve 2W
AVCR actuator set + ball valve 2W is used for...
-

Actuator AVDRS + ball valve 2W
The AVDRS actuator set + 2W ball valve is used for...






















